驰骥微电子
首页
+
关于我们
公司简介
企业文化
+
新闻中心
公司动态
行业动态
常见问题
+
产品中心
充电管理芯片
马达驱动芯片
LDO
单键触摸
5G信号分离器
+
联系我们
在线留言
联系我们
产品中心
您目前所在位置:
首页
>>
产品中心
产品中心
充电管理芯片
马达驱动芯片
LDO
单键触摸
5G信号分离器
产品中心
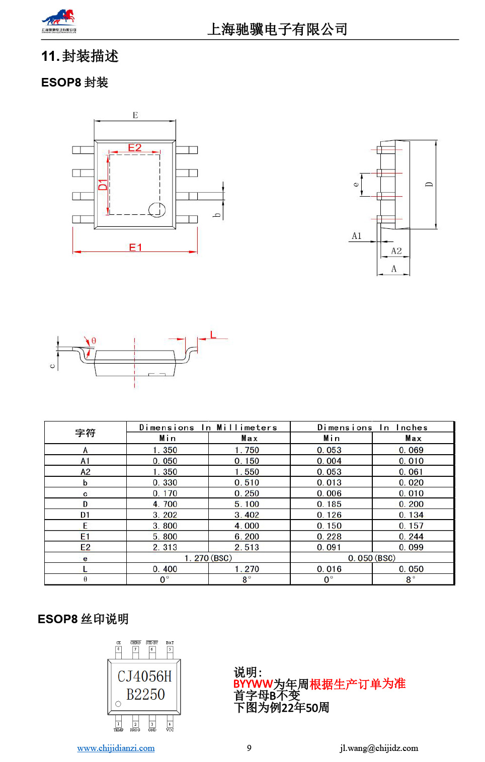
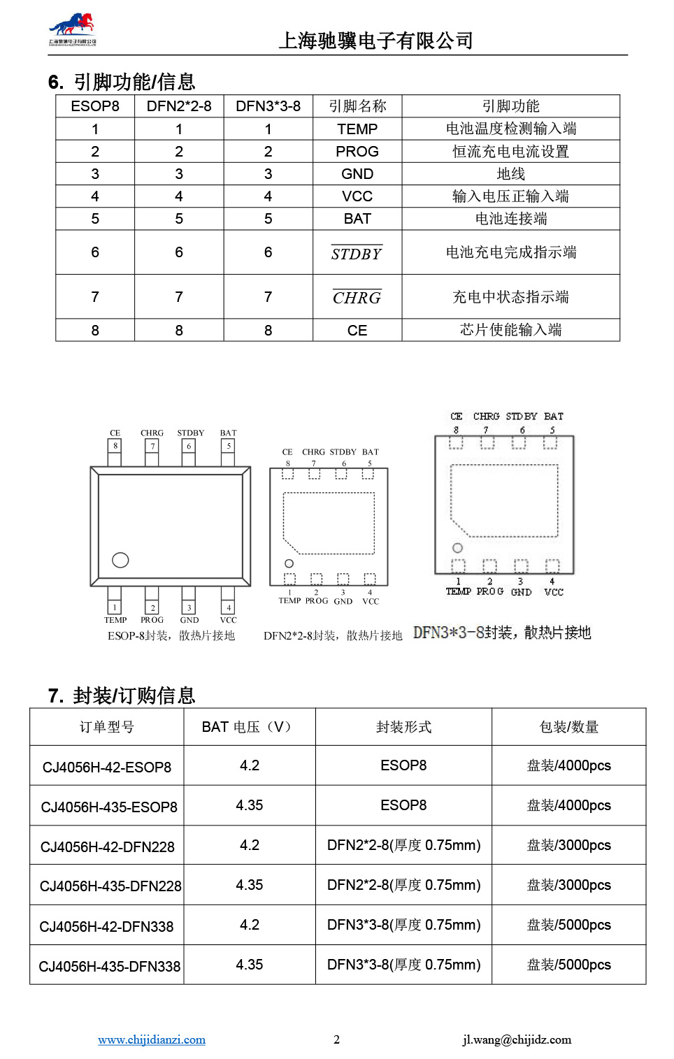
CJ4056H
注:如果需要产品的详细手册或其他资料,请向我们申请。
>>